Форум о микрофонах Октава
Текущее время: 19 апр 2026, 02:29

Часовой пояс: UTC + 3 часа [ Летнее время ]




Начать новую тему Ответить на тему  [ Сообщений: 20 ]  На страницу Пред.  1, 2
Автор Сообщение
 Заголовок сообщения: Re: Искажения звука с МКЭ-2
СообщениеДобавлено: 20 май 2010, 23:05 
Мастер
Аватара пользователя

Зарегистрирован:
14 апр 2007, 11:47
Сообщения: 135
Откуда: Cherepovets
Благодарил (а): 0 раз.
Поблагодарили: 4 раз.
Так этот резистор подбирается специально под параметры определённого капсюля (ёмкость+ импеданс) и транзистора/лампы.

_________________
http://twin-x.com/groupdiy/index.php?cat=10423


Вернуться к началу
 Профиль  
Ответить с цитатой  
СообщениеДобавлено: 21 май 2010, 01:13 
Мастер

Зарегистрирован:
11 мар 2010, 02:27
Сообщения: 1395
Откуда: Москва
Благодарил (а): 5 раз.
Поблагодарили: 96 раз.
Мои микрофоны: МКЭ-2, МКЭ-3, МКЭ-204, MK-012, МК-219, МД-200
Это понятно. Я к тому, что большинство капсюлей вроде работают с таким сопротивлением. Кстати если оно занижено, пострадают в первую очередь низкие частоты вроде 20-40 Гц, так что при записи вокала этого можно даже и не заметить. Некоторые вообще пишут всё при кнопке low cut.
И я же не предлагаю всё время так работать, а собрать на пробу, и при первой же возможности поставить резистор, указанный на схеме.


Вернуться к началу
 Профиль  
Ответить с цитатой  
СообщениеДобавлено: 22 май 2010, 15:18 
Новичок

Зарегистрирован:
05 май 2010, 19:01
Сообщения: 7
Благодарил (а): 0 раз.
Поблагодарили: 0 раз.
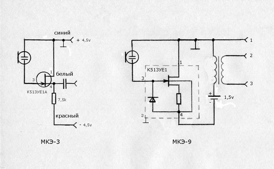
> А разве там не обычный полевик стоит (как на схеме слева)?

Разбирал два капсюля МКЭ-3. В них стоят активные элементы по корпусу похожие на полевики. На одном была маркировка АА0, на другом AV8. Заменил оба на КП303А. Разбирал, чтобы отремонтировать, обломился вывод у AV8. Поставил КП303А с резистором 3,6к (питание – батарейка 1,5 вольта). Корпус у капсюля тоже распилил, потом сверху надел корпус от подходящего по размерам электролита. Работать стал лучше прежнего. Даже без высокоомного резистора на затворе звук прозразный и несравнимо превосходит звучание динамических микрофонов. Только чувствительность низкая.
По справочнику 1992г в МКЭ-3 стоит К513УЕ1А, в новых справочниках дают условную, упрощенную схему, приведенныю выше.


Вложения:
аао.jpg
аао.jpg [ 40.33 КБ | Просмотров: 12634 ]
Комментарий к файлу: МКЭ-3
007.jpg
007.jpg [ 89.53 КБ | Просмотров: 12634 ]


Последний раз редактировалось Victor 23 май 2010, 04:39, всего редактировалось 2 раз(а).
Вернуться к началу
 Профиль  
Ответить с цитатой  
СообщениеДобавлено: 22 май 2010, 16:59 
Новичок

Зарегистрирован:
05 май 2010, 19:01
Сообщения: 7
Благодарил (а): 0 раз.
Поблагодарили: 0 раз.
Еще удивляет, почему МКЭ-3 и МКЭ-9 разрабатывались в расчете на минусовой источник питания. «Плюс» питания на корпусе, сток и капсюль заземлен, «минус» питания подается через резистор на исток. Поэтому в кассетных магнитофонах с положительным питанием МКЭ-3 приходилось ставить «вверх ногами»: синий провод (см. схему) подключали через резистор к «плюсу» и заземляли по переменному току электролитом на корпус. В МКЭ-9 тоже отрицательное питание и сток с капсюлем на корпусе.
ПРЕДПОЛАГАЮ, что с помощью отрицательного питания избавлялись от электролитических конденсаторов. В схеме МКЭ-9 нет ни одного конденсатора!
Во многих микрофонах «Октавы» полевой транзистор включен по схеме с общим стоком (истоковый повторитель). Сигнал снимается с истока , а сток необходимо соединить с общим проводом через хороший конденсатор большой емкости, либо непосредственно. Второй вариант предпочтительнее, так как исключает искажения и шумы электролитического конденсатора. При положительном фантомном питании +48в это возможно только для полевого транзистора с каналом Р-типа.
Влияет ли на качество звука электролитический конденсатор, соединяющий сток с корпусом в схеме МКЭ-2 и МК-012 :?:


Вложения:
File003.jpg
File003.jpg [ 50.29 КБ | Просмотров: 12630 ]
Вернуться к началу
 Профиль  
Ответить с цитатой  
СообщениеДобавлено: 20 июн 2010, 01:50 
Новичок

Зарегистрирован:
20 июн 2010, 01:46
Сообщения: 1
Благодарил (а): 0 раз.
Поблагодарили: 0 раз.
Добрый вечер! Пробовал кто-нибудь подключать МКЭ-2 с питанием к примеру вольт 9, в принципе собираю сейчас к нему преамп на инструментальном INA163, просто интересно сам еще не пробовал)

Проверил отлично работает ) правда все равно пред делать нужно будет, в минидиск рекордере оочень шумный микрофонный вход


Вернуться к началу
 Профиль  
Ответить с цитатой  
Показать сообщения за:  Поле сортировки  
Начать новую тему Ответить на тему  [ Сообщений: 20 ]  На страницу Пред.  1, 2
   { SIMILAR_TOPICS }   Автор   Ответы   Просмотры   Последнее сообщение 
В этой теме нет новых непрочитанных сообщений. Схема подключения устройств: микрофон-предусилитель-звуковая карта?

в форуме Конденсаторные микрофоны

СаньГа_Red

13

32661

29 май 2010, 01:06

Ziatz Перейти к последнему сообщению

В этой теме нет новых непрочитанных сообщений. Помогите!!! нужна схема Октава МК-13

в форуме Ламповые микрофоны

CemD

13

31098

22 ноя 2012, 22:08

CemD Перейти к последнему сообщению

В этой теме нет новых непрочитанных сообщений. Мк-012 Схема электронная принципиальная.

в форуме Ваши предложения

Саня-Че

5

16897

05 апр 2015, 21:54

gogia Перейти к последнему сообщению

В этой теме нет новых непрочитанных сообщений. Принципиальная схема для Октава МК-219

в форуме Конденсаторные микрофоны

Владимир Георгиевич

2

8739

08 июл 2008, 11:40

Sonic Перейти к последнему сообщению

В этой теме нет новых непрочитанных сообщений. ОКТАВА МД-282 СХЕМА ПРЕДУСИЛКА

в форуме Другие микрофоны

ПЕТРОВИЧ

4

14073

18 фев 2008, 17:36

Викторович Перейти к последнему сообщению


Часовой пояс: UTC + 3 часа [ Летнее время ]


Кто сейчас на конференции

Зарегистрированные пользователи: Bing [Bot], Majestic-12 [Bot]


Вы не можете начинать темы
Вы не можете отвечать на сообщения
Вы не можете редактировать свои сообщения
Вы не можете удалять свои сообщения
Вы не можете добавлять вложения

Найти:
Перейти:  
 Rambler's Top100
Создано на основе phpBB® Forum Software © phpBB Group
Русская поддержка phpBB